KJT- T1600數字壓力表
- 壓力量程:0-100MP....1.6. 2.5、60MPa
- 安裝接口:M20x1.5、G1/2、 G1/4等
- 顯示:4位LCD顯示
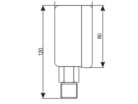
- 尺寸:直徑φ80mm,厚度48mm
- 供電:3V (兩節7號電池)五種單位自由切換,可一鍵清零背光。

KJT- T1600不銹鋼數字壓力表采用金屬不銹鋼外殼、外型美觀、堅固耐用,采用兩節5號電池供電,可連續使用一年以上,是集壓力、測量、顯示為一體的高精度低功耗數字壓力表,具有抗震動,顯示精度高,使用壽命長,自動待機等特點,使用方便,可替代機械壓力表,用于便攜式壓力測量,設備配套,標準壓力校驗設備等。應用領域廣泛。
| 型普 | 說明 | |
| KJT- T1600 | 智能數字壓力表 | |
| 殼體 | A | 塑料工程外殼 |
| B | 不銹鋼304外殼 | |
| 精度等級 | 1 | 0.5% |
| 2 | 1% | |
| 過程連接 | A | 20*1.5 |
| B | G1/2 | |
| C | G1/4 | |
| D | 其他訂貨是注明 | |
| 供電方式 | W | 電池供電 |
| 測量范圍 | -100kPa--60MPa | 客戶自選 |





