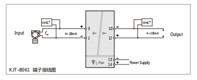
給現場的變送器提供隔離的直流電源,并檢測來自變送器的4~20mA電流信號, 經過隔離、干擾抑制等處理后,向控制系統或其它儀表輸出直流電流或電壓信號。采用獨立的直流電源供電,輸入-輸出-電源各通道之間隔離。標準的 35mmDIN 導軌卡式安裝。可拔插的接線插頭端 子,彈簧壓緊連接。

● 供電電源
供電電壓范圍:20~30VDC
額定供電電壓:24VDC
電流消耗(24VDC供電時): <50mA (1入1出);
<100mA(2入2出)
● 輸 入
輸入信號:4~20mA;HART 信號
輸入阻抗:約50Ω
給變送器的配電:20mA時,≥18V(出廠默認)
若需要更大配電(如≥22V),訂貨時注明
最大輸入電流:約 24mA
● 輸 出
輸出信號:4~20mA;HART 信號
電流輸出負載:≤350Ω(出廠默認,可指定負載)
HART通信時,負載電阻RL:≥250Ω
● 綜合參數
標準精度:±0.1%
溫度漂移:0.01%F.S./℃
響應時間:< 10ms
隔離能力:輸入-輸出-電源之間 1.5KV,1min,50Hz
絕緣電阻:輸入-輸出-電源之間 ≥100MΩ / 500VDC
工作環境溫度:-20℃~+60℃
儲存環境溫度:-40℃~+80℃
機殼材質 / 防護等級:阻燃ABS/IP20
外形尺寸:16×116×110(mm)



