粉嫩小又紧水又多视频,少妇粉嫩小泬喷水视频WWW,老师粉嫩小泬喷水视频90,少妇粉嫩小泬白浆流出,少妇扒开粉嫩小泬视频,小少妇的粉嫩小泬,少妇粉嫩小泬喷水视频,小少妇的粉嫩小泬HDXXXX,极品少妇的粉嫩小泬视频

產品列表

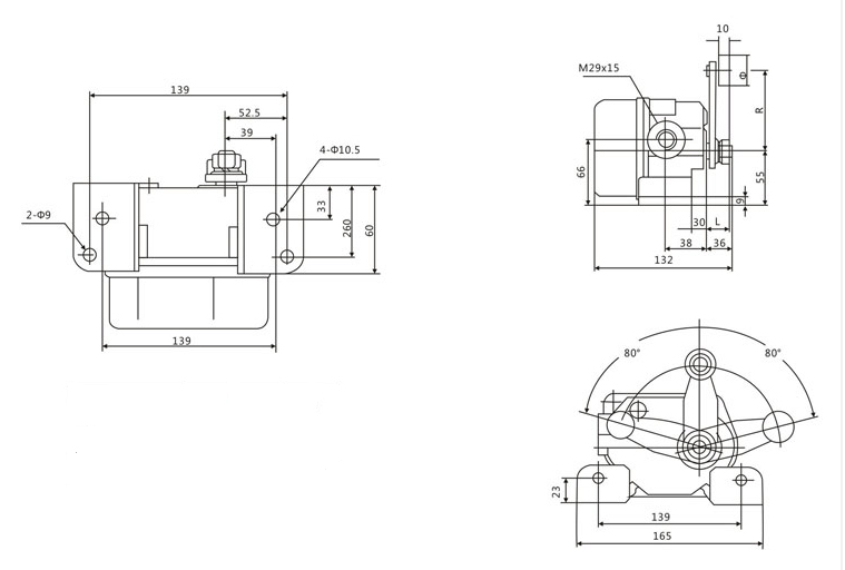
KJT-ZX-5102X重型限位開關|限位開關產品型號-參數-接線圖
KJT-ZX-5102X重型限位開關|限位開關產品型號-參數-接線圖
KJT-ZX-5102X重型限位開關|限位開關產品型號-參數-接線圖

KJT-ZX-5102X重型限位開關

系列單桿系列、羊角系列
接點構成1a,1b,2a,2b,1a1b
適用環境溫度-10~+80℃
適用最大頻率1200次/小時
額定絕緣電壓AC 250V
額定通電電流3A
額定使用電壓/電流AC220V/0.5A,DC110V/0.3A
機械壽命500萬次以上
電氣壽命500萬次以上
防護等級IP56
外殼材料鋁合金



推薦產品