粉嫩小又紧水又多视频,少妇粉嫩小泬喷水视频WWW,老师粉嫩小泬喷水视频90,少妇粉嫩小泬白浆流出,少妇扒开粉嫩小泬视频,小少妇的粉嫩小泬,少妇粉嫩小泬喷水视频,小少妇的粉嫩小泬HDXXXX,极品少妇的粉嫩小泬视频

產品列表

管道液位開關|電容式接近開關產品型號-參數-接線圖
管道液位開關|電容式接近開關產品型號-參數-接線圖
管道液位開關|電容式接近開關產品型號-參數-接線圖

管道液位開關

  • ●:采用不銹鋼、塑料或PTFE外殼的電容式傳感器
  • ●:多種結構、外殼材料和物美價廉的規格可供選擇 匹配和設置十分簡單
  • ●:自粘型號,固定方便靈活
  • ●:用于探測塑料顆粒、谷物、飼料/木料顆粒、油品、含水液體、酸、堿、導電粉塵等材料的填充位

  ●電容式接近傳感器

  電容式接近傳感器可用無接觸的方式來檢測任意一個物體.電容式接近開關能檢測金屬物體,也能檢測非金屬物體,不管被檢測物體顏色和表面狀態如何,是否透明,都可以可靠檢測,靈敏度可調旋鈕,對密閉的非金屬容器內的液體,粉體等材料可進行間接檢測.幾乎可以識別所有的材料.

  工作原理

  電容式接近開關亦屬于一種具有開關量輸出的位置傳感器,首先需測量傳感器感應面電極和電路電位電極之間的電容,一個接近的物體影響這個電容器兩極之間的電場.該原理不僅適用于金屬物,也適用于非金屬物.電容式傳感器一般通過一個RC振蕩器工作,即使是一個很小的電容變化都會影響其振幅.然后集成電路將振幅換成開關信號,其靈敏度可以通過電位器調節.


主要技術參數


管道靜電容接近開關


特性


外徑8...11 mm檢測距離          0...13 

壁厚0...1 mm


行程差
實際感應距離Sr的1...15%
重復誤差率
≤3%
環境濕度
3090%RH
防護等級
IP 65和IP 67
儲存溫度- 10...+ 65
運行溫度- 10...+ 65
材料外殼
非金屬
電纜
PVR
振動阻抗根據KJT-Y
25 gn,振幅 ± 2 mm (f = 10...55 Hz)
沖擊阻抗根據KJT-Y
50 gn,持續 11 ms
輸出狀態指示
LED指示燈
額度電壓Vc 12...24,帶極性反接保護
電壓范圍(包括脈動)Vc 10...36
空載電流損耗mA≤ 10
開關容量mA≤ 200,帶過載和短路保護
通態壓降V≤ 2
開關頻率8...11Hz20
延遲啟動ms≤ 10
響應ms≤ 0.2
復位ms≤ 0.2


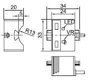
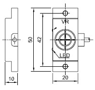
尺寸圖

接線圖


微信圖片_20230810185926


c01ea261d3ab5687c17f83cb98f20828_

3

推薦產品