粉嫩小又紧水又多视频,少妇粉嫩小泬喷水视频WWW,老师粉嫩小泬喷水视频90,少妇粉嫩小泬白浆流出,少妇扒开粉嫩小泬视频,小少妇的粉嫩小泬,少妇粉嫩小泬喷水视频,小少妇的粉嫩小泬HDXXXX,极品少妇的粉嫩小泬视频

產品列表

KJT-8936隔離安全柵
KJT-8936隔離安全柵
KJT-8936隔離安全柵
KJT-8936隔離安全柵
KJT-8936隔離安全柵

KJT-8936隔離安全柵

  • 供電電壓范圍:20~30VDC
  • 額定供電電壓:24VDC
  • 可選毫伏信號輸入:±80mV 范圍
  • 最小毫伏量程:5mV
  • 冷端溫度誤差:±1℃

直流毫伏信號輸入。經過隔離傳送,輸出所需的直流毫伏信號。直流電源供電方式,輸入-輸出-電源各通道之間隔離。采用標準的35mmDIN導軌卡式安裝。可拔插的接線插頭端子,彈簧壓緊連接。


主要技術參數

● 供電電源

供電電壓范圍:20~30VDC

額定供電電壓:24VDC

電流消耗(24VDC供電時):< 22mA (1入1出)

< 33mA (1入2出)


● 輸 入

輸入信號:0~100mV

最小量程:3mV

輸入阻抗:>20MΩ


● 輸 出

輸出信號:0~100mV

輸出阻抗:<10Ω

輸出紋波:< 5mVp-p


● 綜合參數

標準精度:±0.1%

溫度漂移:0.01%F.S./℃

響應時間:< 10ms

隔離能力:輸入-輸出-電源之間 1.5KV,1min,50Hz

絕緣電阻:輸入-輸出-電源之間 ≥100MΩ / 500VDC

工作環境溫度:-20℃~+60℃

儲存環境溫度:-40℃~+80℃

機殼材質 / 防護等級:阻燃ABS/IP20

外形尺寸:16×116×110(mm)

尺寸圖

KJT-8936隔離安全柵

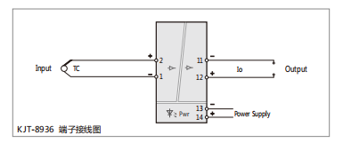
接線圖

KJT-8936隔離安全柵

推薦產品