KJT-Y18 方形霍爾傳感器 磁鐵S極感應
- 產品系列:KJT-Y18 方形霍爾傳感器 磁鐵S極感應
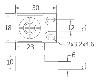
- 安裝方式:非埋式
- 檢測距離:10mm(磁鐵S極)
- 工作電壓:10-36VDC
- 輸出方式:NPN/PNP
- 輸出狀態:常開/常閉/常開和常閉
- 標準檢測物:φ5×3mm(磁鐵:釹鐵硼)
凱基特霍爾式傳感器適用于檢測磁性材料的運動,位置檢測,轉速檢測等。采用電子式霍爾器件,彈簧片式舌簧管等是磁敏器件。利用霍爾器件設計的霍爾式傳感器可檢測外部磁鐵。利用霍爾器件設計的齒輪傳感器適合對旋轉速度的探測,檢測齒輪的停止和控制等。

| 電氣特征 | |
| 安裝方式 | 非齊平安裝 |
| 工作電壓 | 10-30V DC |
| 電流消耗 | ≤10mA |
| 極性反接保護 | 內置 |
| 上電脈沖保護 | 內置 |
| 負載短路保護 | 內置 |
| 連接形式 | 4針M12 連接器 |
| 輸出 | |
| 輸出方式 | NPN/PNP |
| 輸出狀態 | 常開/常閉/常開和常閉 |
| 導通壓降 | ≤2V |
| 電流負載 | ≤200mA |
| 輸出漏電流 | ≤0.01mA |
| 開關頻率 | 1000Hz |
| 感應范圍 | |
| 標準檢測物 | φ5×3mm(磁鐵:S極 釹鐵硼) |
| 感應距離Sn | 10mm(磁鐵S極) |
| 實際感應距離Sr | 10mm±10% |
| 檢測距離增長型 | 否 |
| 顯示 | |
| 開關狀態顯示LED | 黃色LED |
| 精度/偏差 | |
| 修正系數 | 其檢測距離是由磁鐵的磁性強度決定的 |
| 遲滯(Sr的百分比) | 1...15% |
| 重復精度(Sr的百分比) | ≤±5% |
| 溫度漂移(Sr的百分比) | ≤10% |
| 工作條件 | |
| 環境溫度 | -25~+80℃ |
| 外殼防護等級 | IP67 |
| 認證/絕緣阻抗 | |
| EMC電磁兼容性 | 符合標準EN60947-5-2 |
| 絕緣阻抗 | 50MΩ以上(DC 500V兆歐表),充電部整數和外殼之間 |
| 認證 | CE |
| 配件 | |
| 固定螺母 | 2個 |
| 包裝單位 | 1個 |







